The Siemens gas valve actuator requires a modified DA board in order to drive the actuator to a full open position. If used with an existing DA board, full fire (wide open valve operation) will not be possible.
The board PN 08BSDADAT is used specifically for the Siemens modulating actuator. This board will not have an adverse effect on a Dungs gas valve modulator.
The Dungs modulating actuator, 96SD018, is in short supply as of January 2023 and this Siemens replacement is used as a stop gap supply. The valve requires a conversion kit and a new DA board to work properly.
| Part Numbers | Description |
|---|
| 07 71155G | SIEMENS GAS MODULATOR SUPPORT BRKT - SQM40 |
| 07 71155H | SIEMENS GAS MODULATOR SUPPORT BRKT - LOWER |
| 96SS018 | Siemens valve actuator |
| 96SS018A | Mount bracket to adapt the Siemens modulator to the Dungs gas valve |
| 08BSDADAT | DA board used with this Siemens Actuator |
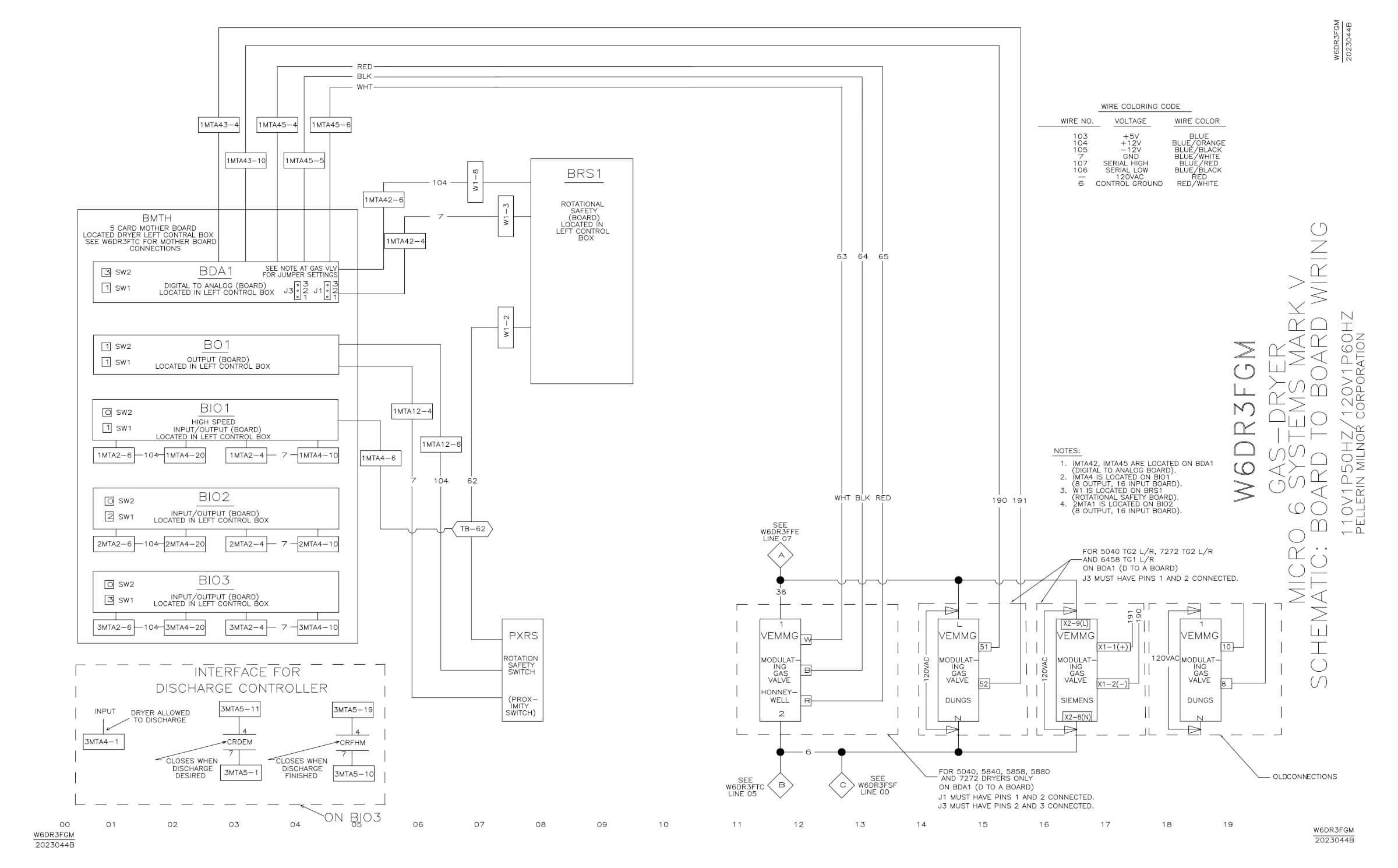
Note this is marked as the Siemens modulator (not Dungs) in the schematic.
Siemens Modulator PN 96SS018:

Min fire adjustment is shown here on the MIN potentiometer. Turn CCW for lower settings.
At valve position 255, confirm that the actuator is open at 90 degrees. If not turn up the potentiometer for MAX.

The black dial needs to be set at "0". The red dial needs to be set at"90".
Installation Diagram
Note this is marked as the Siemens modulator (not Dungs) in the schematic.
Electrical Diagram
Siemens Modulator Settings

