
« Go Back
| Information |
| Validated | |
| Published | |
| SUSPENSION-DIAGRAM-6836F5 | |
| Article Details |
| 000001772 | ||
| SUSPENSION DIAGRAM 6836F5 | ||
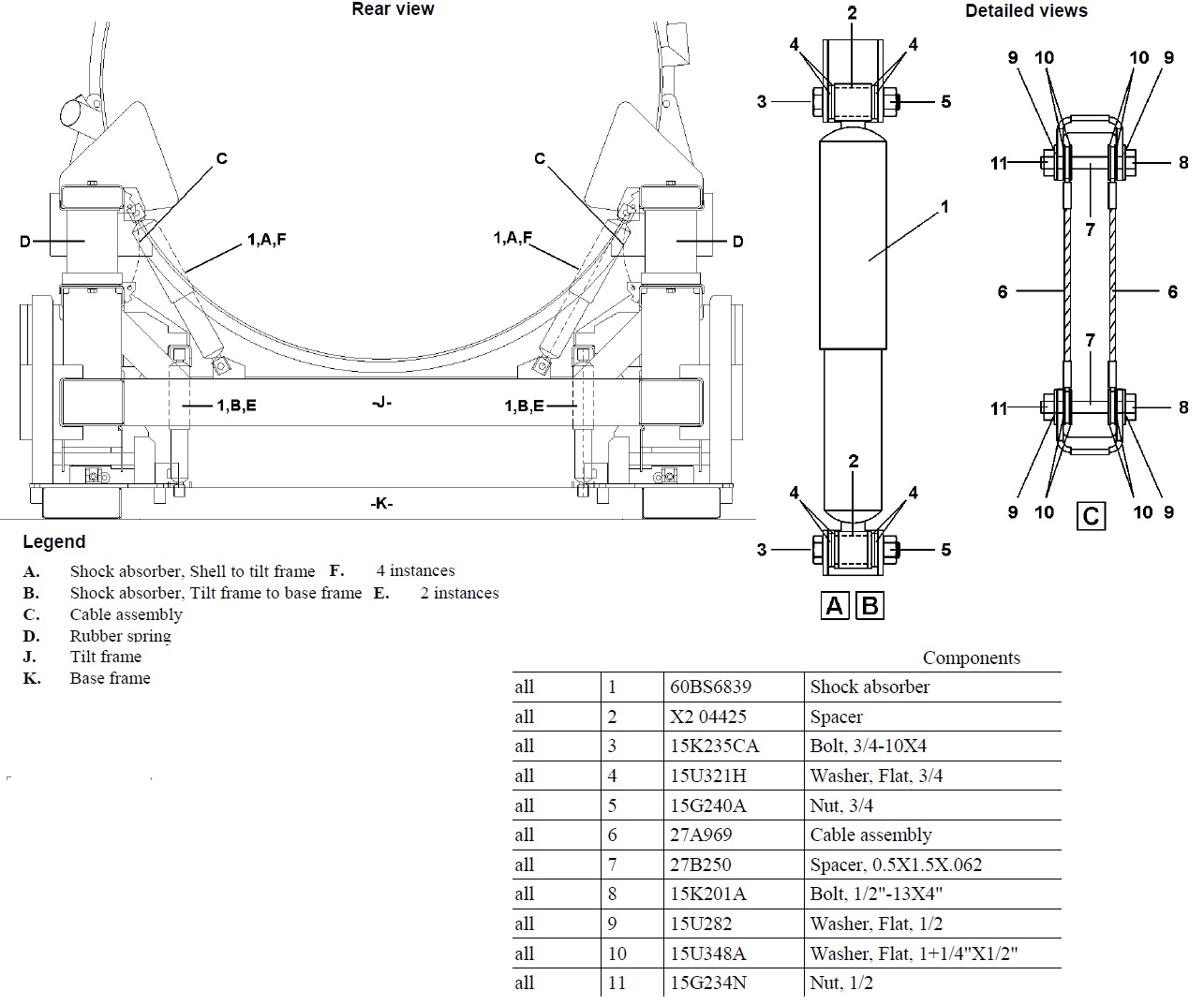
| PICTURE DIAGRAM AND PARTS NUMBERS FOR 6836F5 WASHER EXTRACTORS | ||

| Information |
| Validated | |
| Published | |
| SUSPENSION-DIAGRAM-6836F5 | |
| Article Details |
| 000001772 | ||
| SUSPENSION DIAGRAM 6836F5 | ||
| PICTURE DIAGRAM AND PARTS NUMBERS FOR 6836F5 WASHER EXTRACTORS | ||
Please fill out all parts of the form below for help or send an email to service@milnor.com.